
水銀レスで3000万回転メンテナスフリーの製品です。
有接点で大電流を確実に通電できます。
メンテナンスフリーで3000万回転以上の長寿命です。
■特徴
・水銀フリー
・RoHS2指令適合品
・ケース本体をアルマイト加工
・低ノイズ、低接触抵抗(1mΩ以下)
・小型かつ大電流
・水銀と比較し高温環境でも使用可能(-10~+80℃)
■用途
めっき装置、溶接機等アースが必要な回転機器

※CADデータのダウンロードは会員登録が必要です。

水銀レスで3000万回転メンテナスフリーの製品です。
有接点で大電流を確実に通電できます。
メンテナンスフリーで3000万回転以上の長寿命です。
■特徴
・水銀フリー
・RoHS2指令適合品
・ケース本体をアルマイト加工
・低ノイズ、低接触抵抗(1mΩ以下)
・小型かつ大電流
・水銀と比較し高温環境でも使用可能(-10~+80℃)
■用途
めっき装置、溶接機等アースが必要な回転機器

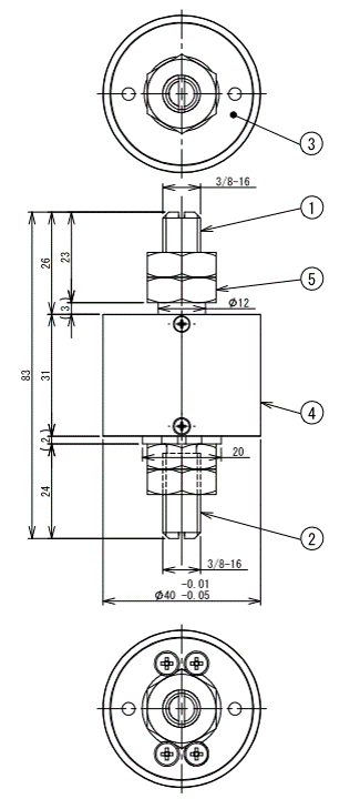
| 品番 | SRE040-100A-I |
|---|---|
| 極数 | 1 |
| 許容電圧 | AC/DC |
| 許容電流 | 100A |
| 許容回転数 | 500rpm |
| 接触抵抗(以下) | 2mΩ |
| 回転トルク | 1cN・m |
| 回転方向 | CW-CCw インデックス |
| 回転取付方向 | 水平/垂直 |
| 使用本体温度 | -10~80 |
※CADデータのダウンロードは会員登録が必要です。