SRY36A

36Aおよび信号対応の標準品です。

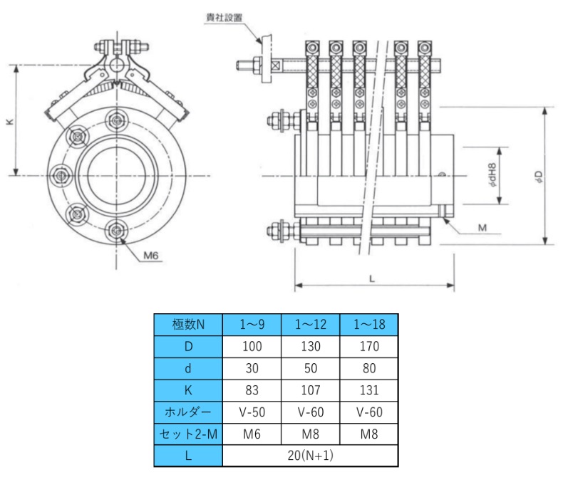
内径30mm~80mmまでの3種類から選定可能です。

シンプルな構造で幅広い用途に使用できます。

■仕様
極数:1~18極※内径により最大極数が異なります。
電圧:AC/DC220V以下
許容電流:36A以下,信号
許容回転数:2,000rpm
内径/外径:φ30~80/φ100~170

仕様

極数⻑さ
1~1820(N+1)

※CADデータのダウンロードは会員登録が必要です。